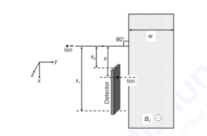
A positive, singly ionized atom of mass number $A_M$ is accelerated from rest by the voltage 192 V . Thereafter, it enters a rectangular region of width $w$ with magnetic field $\vec{B}_0=0.1 \hat{k}$ Tesla, as shown in the figure. The ion finally hits a detector at the distance $x$ below its starting trajectory.
[Given: Mass of neutron/proton $=(5 / 3) \times 10^{-27} \mathrm{~kg}$, charge of the electron $\left.=1.6 \times 10^{-19} \mathrm{C}.\right]$
