Competishun Header

Report Issue

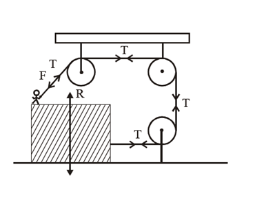
JEE-MAIN 2021
17-03-2021 S2
Question
A boy of mass 4 kg is standing on a piece of wood having mass 5kg. If the coefficient of friction between the wood and the floor is 0.5, the maximum force that the boy can exert on the rope so that the piece of wood does not move from its place is ________N.(Round off to the Nearest Integer) [Take g = 10 ms–2]
Question Image
Write Your Answer
✓ Correct! Well done.
✗ Incorrect. Try again or view the solution.
Solution
Solution Image
Question Tags
JEE Main
Physics
Easy
Start Preparing for JEE with Competishun
Filters 0
JEE Main
JEE Advance
Easy
Medium
Hard
Showing 18 questions
QJEE Main 20242024
The number of real solutions of the equation $x|x+5|+2|x+7|-2=0$ is $\_\_\_\_$ .
JEE MainMathematicsEasy
View Solution
QJEE Main 20242024
Let a line perpendicular to the line $2 x-y=10$ touch the parabola $y^2=4(x-9)$ at the point $P$. The distance of...
JEE MainMathematicsEasy
View Solution
QJEE Main 20242024
Let the maximum and minimum values of $\left(\sqrt{8 x-x^2-12}-4\right)^2+(x-7)^2, x \in R$ be $M$ and $m$ respectively. Then $\mathrm{M}^2-\mathrm{m}^2$ is...
JEE MainMathematicsEasy
View Solution
QJEE Main 20242024
Let a>0 be a root of the equation $2 \mathrm{x}^2+\mathrm{x}-2=0$. If $\lim _{x \rightarrow \frac{1}{a}} \frac{16\left(1-\cos \left(2+x-2 x^2\right)\right)}{\left(1-a x^2\right)}=\alpha+\beta \sqrt{17}$,...
JEE MainMathematicsEasy
View Solution
QJEE Main 20242024
If $1+\frac{\sqrt{3}-\sqrt{2}}{2 \sqrt{3}}+\frac{5-2 \sqrt{6}}{18}+\frac{9 \sqrt{3}-11 \sqrt{2}}{36 \sqrt{3}}+\frac{49-20 \sqrt{6}}{180}+\cdots$. upto $\infty=2\left(\sqrt{\frac{b}{a}}+1\right) \log _e\left(\frac{a}{b}\right)$, where a and b are integers with $...
JEE MainMathematicsEasy
View Solution
QJEE Main 20242024
Let the point $(-1, \alpha, \beta)$ lie on the line of the shortest distance between the lines $\frac{x+2}{-3}=\frac{y-2}{4}=\frac{z-5}{2}$ and $\frac{x+2}{-1}=\frac{y+6}{2}=\frac{z-1}{0}$....
JEE MainMathematicsEasy
View Solution
QJEE Main 20242024
The number of solutions of $\sin ^2 x+\left(2+2 x-x^2\right) \sin x-3(x-1)^2=0$, where $-\pi \leq \mathrm{x} \leq \pi$, is $\_\_\_\_$ .
JEE MainMathematicsEasy
View Solution
QJEE Main 20242024
Let $y=y(x)$ be the solution of the differential equation $\frac{d y}{d x}+\frac{2 x}{\left(1+x^2\right)^2} y=x e^{\frac{1}{\left(1+x^2\right)}} ; y(0)=0$. Then the area...
JEE MainChemistryEasy
View Solution
QJEE Main 20242024
If $y(\theta)=\frac{2 \cos \theta+\cos 2 \theta}{\cos 3 \theta+4 \cos 2 \theta+5 \cos \theta+2}$, then at $\theta=\frac{\pi}{2}, y^{\prime \prime}+y^{\prime}+y$ is equal...
JEE MainMathematicsEasy
View Solution
QJEE Main 20242024
Let $\alpha \beta \neq 0$ and $...
JEE MainMathematicsEasy
View Solution
QJEE Main 20242024
Let $\beta(m, n)=\int_0^1 x^{m-1}(1-x)^{n-1} d x, m, n>0$. If $\int_0^1\left(1-x^{10}\right)^{20} d x=a \times \beta(b, c)$, then $100(a+b+x)$ equals
JEE MainMathematicsEasy
View Solution
QJEE Main 20242024
Let ABCD and AEFG be squares of side 4 and 2 units, respectively. The point E is on the line...
JEE MainMathematicsEasy
View Solution
QJEE Main 20242024
The coefficients $a, b, c$ in the quadratic equation $a x^2+b x+c=0$ are from the set $\{1,2,3,4,5,6\}$. If the probability...
JEE MainMathematicsEasy
View Solution
QJEE Main 20242024
The values of $m, n$, for which the system of equations
$...
JEE MainMathematicsEasy
View Solution
QJEE Main 20242024
Let the set $S=\{2,4,8,16, \ldots, 512\}$ be partitioned into 3 sets $\mathrm{A}, \mathrm{B}, \mathrm{C}$ with equal number of elements such...
JEE MainMathematicsEasy
View Solution
QJEE Main 20242024
Let the circle $C_1: x^2+y^2-2(x+y)+1=0$ and $C_2$ be a circle having centre at $(-1,0)$ and radius 2 . If the...
JEE MainMathematicsEasy
View Solution
QJEE Main 20242024
Let $f, \mathrm{~g}: \mathrm{R} \rightarrow \mathrm{R}$ be defined as : $f(\mathrm{x})=|\mathrm{x}-1|$ and $...
JEE MainMathematicsEasy
View Solution
QJEE Main 20242024
If the constant term in the expansion of $\left(\frac{\sqrt[5]{3}}{x}+\frac{2 x}{\sqrt[3]{5}}\right)^{12}, x \neq 0$, is $\alpha \times 2^8 \times \sqrt[5]{3}$, then...
JEE MainMathematicsEasy
View Solution
Check this project | Best Developer Portfolio