Skip to content
Competishun Header
Home
Courses
Test Series
Books
Free Resources
Result
Contact Us
Free Resources
Courses
Test Series
JEE Solutions
NCERT PDF
Books
Gallery
Result
Blogs
Watch JEE Free Lectures
↗
Download Our App
↗
Follow Us
Login / Register
Back
Report
Report Issue
×
Wrong Answer
Typo Error
Image Issue
Not Clear
Other
JEE-Main_2024
30.01.24_(S1)
Question
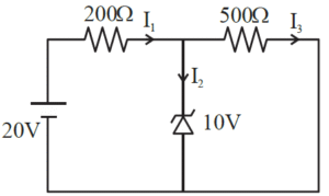
A Zener diode of breakdown voltage 10V is used as a voltage regulator as shown in the figure. The current through the Zener diode is
Select the correct option:
A
50mA
B
00
C
30mA
D
20 mA
✓ Correct! Well done.
✗ Incorrect. Try again or view the solution.
View Solution
Solution
Zener is in breakdown region. $$ \begin{aligned} & I_3=\frac{10}{500}=\frac{1}{50} \\ & I_1=\frac{10}{200}=\frac{1}{20} \\ & I_2=I_1-I_3 \\ & I_2=\left(\frac{1}{20}-\frac{1}{50}\right)=\left(\frac{3}{100}\right)=30 \mathrm{~mA} \end{aligned} $$
Question Tags
JEE Main
Physics
Medium
Start Preparing for JEE with Competishun
YouTube
Books
App
Tests
Filters
0
Subject
▾
Exam
▾
JEE Main
JEE Advance
Difficulty
▾
Easy
Medium
Hard
Year
▾
✕ Clear All
Showing
18
questions
Q
JEE MAIN_2026
Complete the following reaction sequence and give the name of major product ‘P’
JEE Main
Chemistry
Medium
View Solution
→
Q
JEE MAIN_2026
Identify the correct IUPAC name of hydrocarbon $(x)$ containing three primary carbon atoms and with molar mass $72 \mathrm{~g} \mathrm{~mol}^{-1}$.
JEE Main
Chemistry
Easy
View Solution
→
Q
JEE MAIN_2026
IUPAC name of the some alkenes are given below. Find out the correct stability order. A. 2-Methylbut-2-ene B. cis-But-2-ene C....
JEE Main
Chemistry
Easy
View Solution
→
Q
JEE MAIN_2026
Match List - I with List - II Choose the correct answer from the options given below :
JEE Main
Chemistry
Easy
View Solution
→
Q
JEE MAIN_2026
Identify the correct statements from the following A. $\left[\mathrm{Fe}\left(\mathrm{C}_2 \mathrm{O}_4\right)_3\right]^{3-}$ is the most stable complex among $\left[\mathrm{Fe}(\mathrm{OH})_6\right]^{3-},\left[\mathrm{Fe}\left(\mathrm{C}_2 \mathrm{O}_4\right)_3\right]^{3-}$ and $\left[\mathrm{Fe}(\mathrm{SCN})_6\right]^{3-}$...
JEE Main
Chemistry
Hard
View Solution
→
Q
JEE MAIN_2026
Given below are two statements : Statement I: Presence of large number of unpaired electrons in transition metal atoms results...
JEE Main
Chemistry
Medium
View Solution
→
Q
JEE MAIN_2026
Given below are two statements : Statement I: Aluminium upon reaction with NaOH forms $\left[\mathrm{Al}(\mathrm{OH})_6\right]^{3-}$ ion. Statement II : The...
JEE Main
Chemistry
Medium
View Solution
→
Q
JEE MAIN_2026
Given below are two statements : Statement 1 : The number of pairs among $...
JEE Main
Chemistry
Easy
View Solution
→
Q
JEE MAIN_2026
One half cell in a voltaic cell is constructed by dipping silver rod in $\mathrm{AgNO}_3$ solution of unknown concentration, other...
JEE Main
Chemistry
Easy
View Solution
→
Q
JEE MAIN_2026
The reaction $\mathrm{A}(\mathrm{g}) \mathrm{f} \quad \mathrm{B}(\mathrm{g})+\mathrm{C}(\mathrm{g})$ was initiated with the amount ' a ' of $\mathrm{A}(\mathrm{g})$. At equilibrium it is...
JEE Main
Chemistry
Medium
View Solution
→
Q
JEE MAIN_2026
The correct order of molar heat capacities measured at 298 K and 1 bar is :
JEE Main
Chemistry
Easy
View Solution
→
Q
JEE MAIN_2026
Consider the following data for the reaction $$ X_2(g)+Y_2(g) f \quad 2 X Y(g) $$ at 600 K . The...
JEE Main
Chemistry
Medium
View Solution
→
Q
JEE MAIN_2026
The covalent radii of atoms $A$ and $B$ are $r_A$ and $r_B$, respectively. The covalent bond length and total length...
JEE Main
Chemistry
Easy
View Solution
→
Q
JEE MAIN_2026
Which of the following statement(s) is/are true ? A. If two orbitals have the same value of $(\mathrm{n}+l)$, the orbital...
JEE Main
Chemistry
Medium
View Solution
→
Q
JEE MAIN_2026
What volume of hydrogen gas at STP would be liberated by action of 50 mL of $\mathrm{H}_2 \mathrm{SO}_4$ of $...
JEE Main
Chemistry
Easy
View Solution
→
Q
JEE MAIN_2026
If the half life of a first order reaction is 6.93 minutes then the time required for completion of $...
JEE Main
Chemistry
Easy
View Solution
→
Q
JEE MAIN_2026
The values of pressure equilibrium constant recorded at different temperatures for the following equilibrium reaction have been given below $...
JEE Main
Chemistry
Medium
View Solution
→
Q
JEE MAIN_2026
One mole of phenol is treated with dilute $\mathrm{HNO}_3$ at 298 K to give a mixture of products. The mixture...
JEE Main
Chemistry
Medium
View Solution
→
Load More Questions
Scan the code
Powered by
Joinchat
Hello 👋 Welcome to Competishun – India’s most trusted platform for JEE & NEET preparation.
Need help with JEE / NEET courses, fees, batches, test series or free study material? Chat with us now 👇
Open Chat