Competishun turns 6 🎉 | Six years of trust. Thousands of JEE dreams guided, together. 🚀
🎉Competishunturns6|Six years of trust. Thousands of JEE dreams guided, together.🎊
🎉Competishunturns6|Six years of trust. Thousands of JEE dreams guided, together.🎊
Competishun Header

Report Issue

JEE-ADVANCED-2014
PAPER 1
Multiple correct answers - Select all that apply
Question
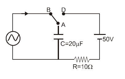
At time $\mathrm{t}=0$, terminal A in the circuit shown in the figure is connected to B by a key and alternating current $\mathrm{I}(\mathrm{t})=\mathrm{I}_0 \cos (\omega \mathrm{t}$,$) , with \mathrm{I}_0=1 \mathrm{~A}$ and $\omega=500 \mathrm{rad} \mathrm{s}^{-1}$ starts flowing in it with the initial direction shown in the figure. At $t=\frac{7 \pi}{6 \omega}$, the key is switched from B to D. Now onwards on ly A and D are connected. A total charge Q flows from the battery to charge the capacitor fully. If $\mathrm{C}=20 \mu, \mathrm{R}=10 \Omega$ and the battery is ideal with emf of 50 V , identify the correct statement (s)
Question Image
Select ALL correct options:
A
Magnitude of the maximum charge on the capacitor before $t=\frac{7 \pi}{6 \omega}$ is $1 \times 10^{-3} \mathrm{C}$.
B
The current in the left part of the circuit just before $t=\frac{7 \pi}{6 \omega}$ is clockwise
C
Immediately after $A$ is connected to $D$. the current in $R$ is $10 A$.
D
$Q=2 \times 10^{-3} C$.
✓ Correct! Well done.
✗ Incorrect. Try again or view the solution.
⚠ Partially correct. Some answers are missing.
Solution
Solution Image
Question Tags
JEE Advance
Physics
Easy
Start Preparing for JEE with Competishun
Video Solution
BY competishun
Video Solution
Watch Solution from 14:32
Filters 0
JEE Main
JEE Advance
Easy
Medium
Hard
Showing 18 questions
QJEE MAIN_2026
Among $\mathrm{Fe}^{2+}, \mathrm{Fe}^{3+}, \mathrm{Cr}^{2+}$ and $\mathrm{Zn}^{2+}$, the ion that shows positive borax bead test and with highest ionisation enthalpy is...
JEE MainChemistryEasy
View Solution
QJEE MAIN_2026
Identify compounds A and E in the following reaction sequence.
JEE MainChemistryMedium
View Solution
QJEE MAIN_2026
A molecule $(X)$ with following structure under mild acidic condition is hydrolysed to produce $(\mathrm{Y})$ and (Z). Identify the correct...
JEE MainChemistryMedium
View Solution
QJEE MAIN_2026
An organic compound " $x$ " where molar ratio of $\mathrm{C}, \mathrm{O}$ and H are equal, on treatment with $...
JEE MainChemistryMedium
View Solution
QJEE MAIN_2026
Correct statements regarding alkyl halides $(\mathrm{R}-\mathrm{X})$ among the following are : A. Alcohol being less polar solvent as compared to...
JEE MainChemistryMedium
View Solution
QJEE MAIN_2026
The compound $(\mathrm{X})$ on (i) on heating in the presence of anhydrous $\mathrm{AlCl}_3$ and HCl gas gives 2,4-dimethyl pentane (ii)...
JEE MainChemistryMedium
View Solution
QJEE MAIN_2026
Given below are two statements : In the light of the above statements, choose the correct answer from the options...
JEE MainChemistryEasy
View Solution
QJEE MAIN_2026
Complete combustion of Xg of an organic compound gave 0.25 g of $\mathrm{CO}_2$ and 0.12 g of $\mathrm{H}_2 \mathrm{O}$. If...
JEE MainChemistryMedium
View Solution
QJEE MAIN_2026
Which of the following complexes will show coordination isomerism? A. $\left[\mathrm{Ag}\left(\mathrm{NH}_3\right)_2\right]\left[\mathrm{Ag}(\mathrm{CN})_2\right]$ B. $\left[\mathrm{Co}\left(\mathrm{NH}_3\right)_6\right]\left[\mathrm{Cr}(\mathrm{CN})_6\right]$ c. $\left[\mathrm{Co}\left(\mathrm{NH}_3\right)_6\right]\left[\mathrm{Co}(\mathrm{CN})_6\right]$ D. $\left[\mathrm{Fe}\left(\mathrm{NH}_3\right)_6\right]\left[\mathrm{Co}(\mathrm{CN})_6\right]$ E. $\left[\mathrm{Co}\left(\mathrm{NH}_3\right)_6\right]\left[\mathrm{Fe}(\mathrm{CN})_6\right]$ Choose...
JEE MainChemistryEasy
View Solution
QJEE MAIN_2026
Given below are two statements: Statement I: Among $\mathrm{Zn}, \mathrm{Mn}, \mathrm{Sc}$ and Cu , the energy required to remove the...
JEE MainChemistryMedium
View Solution
QJEE MAIN_2026
Given below are two statements: Statement I: The second ionization enthalpy of $\mathrm{B}, \mathrm{Al}$ and Ga is in the order...
JEE MainChemistryEasy
View Solution
QJEE MAIN_2026
The correct set that contains all kinds (basic, acidic, amphoteric and neutral) of oxides is :
JEE MainChemistryEasy
View Solution
QJEE MAIN_2026
Consider the reaction $\mathrm{aX} \rightarrow \mathrm{bY}$, for which the rate constant at $30^{\circ} \mathrm{C}$ is $1 \times 10^{-3} \mathrm{~mol}^{-1} \mathrm{Ls}^{-1}$....
JEE MainChemistryMedium
View Solution
QJEE MAIN_2026
At $25^{\circ} \mathrm{C}, 20.0 \mathrm{~mL}$ of 0.2 M weak monoprotic acid HX is titrated against 0.2 M NaOH . The...
JEE MainPhysicsMedium
View Solution
QJEE MAIN 20262026
Let $y=y(x)$ be the solution of the differential equation $...
JEE MainMathematicsMedium
View Solution
QJEE MAIN 20262026
Let $f: \mathbf{R} \rightarrow \mathbf{R}$ be a function such that $f(x)+3 f\left(\frac{\pi}{2}-x\right)=\sin x, x \in \mathbf{R}$. Let the maximum value...
JEE MainMathematicsMedium
View Solution
QJEE MAIN 20262026
If $S=\left\{\theta \in[-\pi, \pi]: \cos \theta \cos \frac{5 \theta}{2}=\cos 7 \theta \cos \frac{7 \theta}{2}\right\}$, then $n(S)$ is equal to $\_\_\_\_$...
JEE MainMathematicsMedium
View Solution
QJEE MAIN 20262026
From the point $(-1,-1)$, two rays are sent making angles of $45^{\circ}$ with the line $x+y=0$. These rays get reflected...
JEE MainMathematicsMedium
View Solution
Check this project | Best Developer Portfolio