Competishun Header

Report Issue

JEE Advance2016
Paper-2
Question
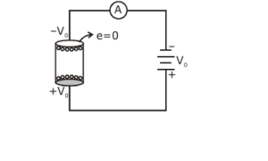
Consider an evacuted cylindrical chamber of height $h$ having rigid conducting plates at the end and an insulting curved surface as shown in the figure. A number of spherical balls made of a light weight and soft material and coated with a conducting material are placed on the bottom plated. The balls have a radius $r \ll h$. Now a high voltage source (HV) is connected across the conducting plates such that the bottom plate is at $+\mathrm{V}_0$ and the top plate at $-\mathrm{V}_0$. Due to their conducting surface, the balls will eventually collide with the top plate, where the plate and are repelled by it. The balls will eventually collide with the top plate, where the coefficient of restitution can be taken to be zero due to the soft nature the material of the balls. The electric field in the chamber can be considered to be that of a parallel plate capacitor. Assume that there are no collisions between the balls and the interaction between them is negligible. (Ignore gravity)
Which one of the following statements is correct?
Select the correct option:
A
The balls will stick to the top plate and remain there
B
The balls will bounce back to the bottom plate carrying the same charge they went up with
C
The balls will bounce back to the bottom plate carrying the opposite charge they went up with
D
The balls will execute simple harmonic motion between the two plates
✓ Correct! Well done.
✗ Incorrect. Try again or view the solution.
Solution
Solution Image
Question Tags
JEE Advance
Physics
Easy
Start Preparing for JEE with Competishun
Video Solution
BY competishun
Video Solution
Watch Solution from 17:52
Filters 0
JEE Main
JEE Advance
Easy
Medium
Hard
Showing 18 questions
QJEE Main 20242024
Total number of stereo isomers possible for the given structure:
JEE MainChemistryEasy
View Solution
QJEE Main 20242024
The correct stability order of the following resonance structures of $\mathrm{CH}_3-\mathrm{CH}=\mathrm{CH}-\mathrm{CHO}$ is
JEE MainChemistryEasy
View Solution
QJEE Main 20242024
The candela is the luminous intensity, in a given direction, of a source that emits monochromatic radiation of frequency '...
JEE MainChemistryEasy
View Solution
QJEE Main 20242024
At room temperature $\left(27^{\circ} \mathrm{C}\right)$, the resistance of a heating element is $50 \Omega$. The temperature coefficient of the material...
JEE MainPhysicsEasy
View Solution
QJEE Main 20242024
A force $\left(3 x^2+2 x-5\right) N$ displaces a body from $\mathrm{x}=2 \mathrm{~m}$ to $\mathrm{x}=4 \mathrm{~m}$. Work done by this force...
JEE MainPhysicsEasy
View Solution
QJEE Main 20242024
Monochromatic light of wavelength 500 nm is used in Young's double slit experiment. An interference pattern is obtained on a...
JEE MainPhysicsEasy
View Solution
QJEE Main 20242024
The resultant of two vectors $\overrightarrow{\mathrm{A}}$ and $\overrightarrow{\mathrm{B}}$ is perpendicular to $\overrightarrow{\mathrm{A}}$ and its magnitude is half that of $\vec{B}$....
JEE MainPhysicsEasy
View Solution
QJEE Main 20242024
To determine the resistance $(\mathrm{R})$ of a wire, a circuit is designed below, The V-I characteristic curve for this circuit...
JEE MainPhysicsEasy
View Solution
QJEE Main 20242024
A capacitor of reactance $4 \sqrt{3} \Omega$ and a resistor of resistance $4 \Omega$ are connected in series with an...
JEE MainPhysicsEasy
View Solution
QJEE Main 20242024
A particle of mass 0.50 kg executes simple harmonic motion under force $\mathrm{F}=-50\left(\mathrm{Nm}^{-1}\right) \mathrm{x}$. The time period of oscillation is...
JEE MainPhysicsEasy
View Solution
QJEE Main 20242024
A straight magnetic strip has a magnetic moment of $44 \mathrm{Am}^2$. If the strip is bent in a semicircular shape,...
JEE MainPhysicsEasy
View Solution
QJEE Main 20242024
A spherical ball of radius $1 \times 10^{-4} \mathrm{~m}$ and density $10^5 \mathrm{kg} / \mathrm{m}^3$ falls freely under gravity through...
JEE MainPhysicsEasy
View Solution
QJEE Main 20242024
A real gas within a closed chamber at $27^{\circ} \mathrm{C}$ undergoes the cyclic process as shown in figure. The gas...
JEE MainPhysicsEasy
View Solution
QJEE Main 20242024
The energy released in the fusion of 2 kg of hydrogen deep in the sun is $\mathrm{E}_{\mathrm{H}}$ and the energy...
JEE MainPhysicsEasy
View Solution
QJEE Main 20242024
UV light of 4.13 eV is incident on a photosensitive metal surface having work function 3.13 eV. The maximum kinetic...
JEE MainPhysicsEasy
View Solution
QJEE Main 20242024
A proton and a deutron ( $\mathrm{q}=+\mathrm{e}, m=2.0 \mathrm{u}$ ) having same kinetic energies enter a region of uniform magnetic...
JEE MainPhysicsEasy
View Solution
QJEE Main 20242024
The effective resistance between A and B, if resistance of each resistor is R, will be
JEE MainPhysicsEasy
View Solution
QJEE Main 20242024
A satellite of $10^3 \mathrm{~kg}$ mass is revolving in circular orbit of radius 2 R . If $\frac{10^4 \mathrm{R}}{6} J$...
JEE MainPhysicsEasy
View Solution
Check this project | Best Developer Portfolio