Competishun Header

Report Issue

JEE Advanced 2022
Paper-1 2022
Question
Consider an LC circuit, with inductance $L=0.1 \mathrm{H}$ and capacitance $C=10^{-3} \mathrm{~F}$, kept on a plane. The area of the circuit is $1 \mathrm{~m}^2$. It is placed in a constant magnetic field of strength B 0 which is perpendicular to the plane of the circuit. At time $t=0$, the magnetic field strength starts increasing linearly as $B=B_0+\beta t$ with $\beta=0.04 \mathrm{Ts}^{-1}$. The maximum magnitude of the current in the circuit is $\_\_\_\_$ mA .
Write Your Answer
✓ Correct! Well done.
✗ Incorrect. Try again or view the solution.
Solution
Emf induced in the circuit is
$ \begin{aligned} & |E|=\left|\frac{d \phi}{d t}\right|=\frac{d}{d t}\left(\left(B_0+\beta t\right) A\right) \\ & =\beta \times A \\ & =0.04 \mathrm{~V} \end{aligned} $
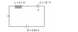
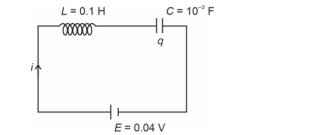
So the circuit can be rearranged as

Using Kirchhoff's law we can write
$ \begin{aligned} & E=L \frac{d i}{d t}+\frac{q}{C} \\ & L \frac{d i}{d t}=E-\frac{q}{C} \\ & \text { or } \frac{d^2 q}{d t^2}=-\frac{1}{L C}(q-C E) \end{aligned} $
Using SHM concept we can write
$ \begin{aligned} & q=C E+A \sin (\omega t+\phi)\left(\text { where } \omega=\frac{1}{\sqrt{L C}}\right) \\ & \text { at } t=0, q=0 \& i=0 \\ & \text { So } A=C E \& \phi=-\frac{\pi}{2} \\ & q=C E-C E \cos \omega t \\ & \text { so } i=\frac{d q}{d t}=C E \omega \sin \omega t \\ & i_{\max }=\frac{10^{-3} \times 0.04}{\sqrt{0.1 \times 10^{-3}}}=4 \mathrm{~mA} \end{aligned} $
Question Tags
JEE Advance
Physics
Easy
Start Preparing for JEE with Competishun
Filters 0
JEE Main
JEE Advance
Easy
Medium
Hard
Showing 18 questions
Q JEE MAIN 20262026
Given below are two statements
Statement I: $\mathrm{H}_2 \mathrm{O}$ molecules move from the chamber 1 to chamber 2 .
Statement II:...
JEE MainChemistryMedium
View Solution
QJEE MAIN_2026
A certain gas is isothermally compressed to $\left(\frac{1}{3}\right)^{\text {rd }}$ of its initial volume $\left(V_0=3\right.$ litre $)$ by applying required...
JEE MainPhysicsEasy
View Solution
QJEE MAIN_2026
An ideal gas undergoes a process maintaining relation between pressure ( $P$ ) and volume ( $V$ ) as $P=P_{\mathrm{o}}\left(1+\left(\frac{V_{\mathrm{o}}}{V}\right)^2\right)^{-1}$,...
JEE MainPhysicsMedium
View Solution
QJEE MAIN_2026
In a Young double slit experiment, the wavelength of incident light is 6000 A , the separation between slits $S_1$...
JEE MainPhysicsEasy
View Solution
QJEE MAIN_2026
Arrange the following resultant mixtures in increasing order of their pH values A. $10 \mathrm{~mL} 0.2 \mathrm{MCa}(\mathrm{OH})_2+25 \mathrm{~mL} 0.1 \mathrm{MHCl}$...
JEE MainChemistryMedium
View Solution
QJEE MAIN_2026
Solid carbon, CaO and $\mathrm{CaCO}_3$ are mixed and allowed to attain equilibrium at TK . $$ \begin{aligned} & \mathrm{CaCO}_3(\mathrm{~s}) \mathrm{f}...
JEE MainChemistryEasy
View Solution
QJEE MAIN_2026
Consider the reaction
$$ 2 \mathrm{H}_2 \mathrm{~S}(\mathrm{~g})+3 \mathrm{O}_2(\mathrm{~g}) \rightarrow 2 \mathrm{H}_2 \mathrm{O}(\mathrm{l})+2 \mathrm{SO}_2(\mathrm{~g}) $$
The magnitude of enthalpy change...
JEE MainChemistryMedium
View Solution
QJEE MAIN_2026
Consider two radiations of wavelengths
JEE MainChemistryEasy
View Solution
QJEE MAIN_2026
' $x$ ' is the product which is obtained from benzene by reacting it with carbon monoxide and hydrogen chloride...
JEE MainChemistryHard
View Solution
QJEE MAIN 20262026
Decomposition of a hydrocarbon follows the equation $\mathrm{k}=\left(5.5 \times 10^{11} \mathrm{~s}^{-1}\right) \mathrm{e}^{\frac{-28000 \mathrm{~K}}{\mathrm{~T}}}$. The activation energy of reaction is $\_\_\_\_$...
JEE MainChemistryMedium
View Solution
QJEE MAIN 20262026
In a closed flask at 600 K , one mole of $\mathrm{X}_2 \mathrm{Y}_4(\mathrm{~g})$ attains equilibrium as given below :
$...
JEE MainPhysicsEasy
View Solution
QJEE MAIN_2026
Number of paramagnetic complexes among the following is $\_\_\_\_$ .
JEE MainChemistryMedium
View Solution
QJEE MAIN 20262026
500 mL of $0.2 \mathrm{M} \mathrm{MnO}_4^{-}$solution in basic medium when mixed with 500 mL of 1.5 M KI solution, oxidises...
JEE MainChemistryMedium
View Solution
QJEE MAIN 20262026
An alkane $(Y)$ requires 8 moles of oxygen for complete combustion and on chlorination with $\mathrm{Cl}_2 / \mathrm{h} \nu,(\mathrm{Y})$ gives...
JEE MainChemistryMedium
View Solution
Q JEE MAIN 20262026
An excess of $\mathrm{AgNO}_3$ is added to 100 mL of a 0.05 M solution of tetraaquadichloridochromium (III) chloride. The number...
JEE MainChemistryEasy
View Solution
QJEE MAIN 20262026
Treatment of a gas ' $X$ ' with a freshly prepared ferrous sulphate solution gives a compound ' $Y$ '...
JEE MainChemistryEasy
View Solution
QJEE MAIN_2026
Consider the reaction $\mathrm{Xf} \quad \mathrm{Y}$ at 300 K . If $\Delta \mathrm{H}^0$ and K are $28.40 \mathrm{~kJ} \mathrm{~mol}^{-1}$ and...
JEE MainChemistryMedium
View Solution
QJEE MAIN_2026
Sucrose hydrolyses in acidic medium into glucose and fructose by first order rate law with $t_{1 / 2}=3$ hour. The...
JEE MainChemistryMedium
View Solution