Competishun Header

Report Issue

JEE Advanced 2014
Paper-2 2014
Question
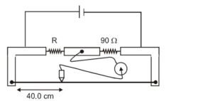
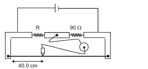
During an experiment with a metre bridge, the galvanometer shows a null point when the joceky is pressed at 40.0 cm using a standard resistance of $90 \Omega$, as shown in the figure. The least count of the scale used in the meter bridge is 1 mm . The unknown resistance is :
Select the correct option:
A
$60 \pm 0.15 \Omega$
B
$135 \pm 0.56 \Omega$
C
$60 \pm 0.25 \Omega$
D
$135 \pm 0.23 \Omega$
✓ Correct! Well done.
✗ Incorrect. Try again or view the solution.
Solution
For balanced meter bridge
Question Tags
JEE Advance
Physics
Easy
Start Preparing for JEE with Competishun
Video Solution
BY competishun
Video Solution
Watch Solution from 22:27
Filters 0
JEE Main
JEE Advance
Easy
Medium
Hard
Showing 18 questions
QJEE Main 20242024
The effective resistance between A and B, if resistance of each resistor is R, will be
JEE MainPhysicsEasy
View Solution
QJEE Main 20242024
A satellite of $10^3 \mathrm{~kg}$ mass is revolving in circular orbit of radius 2 R . If $\frac{10^4 \mathrm{R}}{6} J$...
JEE MainPhysicsEasy
View Solution
QJEE Main 20242024
The de-Broglie wavelength associated with a particle of mass $m$ and energy $E$ is $\mathrm{h} / \sqrt{2 m E}$. The...
JEE MainPhysicsEasy
View Solution
QJEE Main 20242024
The excess pressure inside a soap bubble is thrice the excess pressure inside a second soap bubble. The ratio between...
JEE MainPhysicsEasy
View Solution
QJEE Main 20242024
Two cars are travelling towards each other at speed of $20 \mathrm{~m} \mathrm{~s}^{-1}$ each. When the cars are 300 m...
JEE MainPhysicsEasy
View Solution
QJEE Main 20242024
The magnetic field in a plane electromagnetic wave is $...
JEE MainPhysicsEasy
View Solution
QJEE Main 20242024
A hydrogen atom in ground state is given an energy of 10.2 eV. How many spectral lines will be emitted...
JEE MainPhysicsEasy
View Solution
QJEE Main 20242024
The temperature of a gas is –78° C and the average translational kinetic energy of its molecules is K. The...
JEE MainPhysicsEasy
View Solution
QJEE Main 20242024
The following figure represents two biconvex lenses $\mathrm{L}_1$ and $\mathrm{L}_2$ having focal length 10 cm and 15 cm respectively. The...
JEE MainPhysicsEasy
View Solution
QJEE Main 20242024
A nucleus at rest disintegrates into two smaller nuclei with their masses in the ratio of 2:1. After disintegration they...
JEE MainPhysicsEasy
View Solution
QJEE Main 20242024
Let y=y(x) be the solution of the differential equation $(x+y+2)^2 d x=d y, y(0)=-2$. Let the maximum and minimum values...
JEE MainMathematicsEasy
View Solution
QJEE Main 20242024
Consider a line L passing through the points $\mathrm{P}(1,2,1)$ and $\mathrm{Q}(2,1,-1)$. If the mirror image of the point $\mathrm{A}(2,2,2)$ in...
JEE MainMathematicsEasy
View Solution
QJEE Main 20242024
Consider a triangle ABC having the vertices $\mathrm{A}(1,2), \mathrm{B}(\alpha, \beta)$ and $\mathrm{C}(\gamma, \delta)$ and angles $\angle \mathrm{ABC}=\frac{\pi}{6}$ and $...
JEE MainMathematicsEasy
View Solution
QJEE Main 20242024
In a tournament, a team plays 10 matches with probabilities of winning and losing each match as $\frac{1}{3}$ and $\frac{2}{3}$...
JEE MainMathematicsEasy
View Solution
QJEE Main 20242024
There are 4 men and 5 women in Group A, and 5 men and 4 women in Group B. If...
JEE MainMathematicsEasy
View Solution
QJEE Main 20242024
Let 𝐴 be a 2 × 2 symmetric matrix such that $A\left[\begin{array}{l}1 \\ 1\end{array}\right]=\left[\begin{array}{l}3 \\ 7\end{array}\right]$ and the determinant of...
JEE MainMathematicsEasy
View Solution
QJEE Main 20242024
Consider the function $\mathrm{f}: \mathbb{R} \rightarrow \mathbb{R}$ defined by $f(x)=\frac{2 x}{\sqrt{1+9 x^2}}$. If the composition of $...
JEE MainMathematicsEasy
View Solution
QJEE Main 20242024
Let f: ℝ → ℝ be a thrice differentiable function such that f(0) = 0, f(1) = 1, f(2) =...
JEE MainMathematicsEasy
View Solution
Check this project | Best Developer Portfolio