Skip to content
Competishun
turns
6
🎉
|
Six years
of trust. Thousands of JEE dreams guided, together.
🚀
🎉
Competishun
turns
6
|
Six years
of trust. Thousands of JEE dreams guided, together.
🎊
🎉
Competishun
turns
6
|
Six years
of trust. Thousands of JEE dreams guided, together.
🎊
×
Competishun Header
Home
Courses
Test Series
Books
Free Resources
Result
Contact Us
Free Resources
Courses
Test Series
JEE Solutions
NCERT PDF
Books
Gallery
Result
Blogs
Watch JEE Free Lectures
↗
Download Our App
↗
Follow Us
Login / Register
Back
Report
Report Issue
×
Wrong Answer
Typo Error
Image Issue
Not Clear
Other
JEE MAIN 2019
10-01-2019 S2
Question
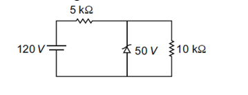
For the circuit shown below, the current through the Zener diode is:
Select the correct option:
A
Zero
B
9 mA
C
14 mA
D
5 mA
✓ Correct! Well done.
✗ Incorrect. Try again or view the solution.
View Solution
Solution
Question Tags
JEE Main
Physics
Medium
Start Preparing for JEE with Competishun
YouTube
Books
App
Tests
Filters
0
Subject
▾
Exam
▾
JEE Main
JEE Advance
Difficulty
▾
Easy
Medium
Hard
Year
▾
✕ Clear All
Showing
18
questions
Q
JEE MAIN_2026
Among $\mathrm{Fe}^{2+}, \mathrm{Fe}^{3+}, \mathrm{Cr}^{2+}$ and $\mathrm{Zn}^{2+}$, the ion that shows positive borax bead test and with highest ionisation enthalpy is...
JEE Main
Chemistry
Easy
View Solution
→
Q
JEE MAIN_2026
Identify compounds A and E in the following reaction sequence.
JEE Main
Chemistry
Medium
View Solution
→
Q
JEE MAIN_2026
A molecule $(X)$ with following structure under mild acidic condition is hydrolysed to produce $(\mathrm{Y})$ and (Z). Identify the correct...
JEE Main
Chemistry
Medium
View Solution
→
Q
JEE MAIN_2026
An organic compound " $x$ " where molar ratio of $\mathrm{C}, \mathrm{O}$ and H are equal, on treatment with $...
JEE Main
Chemistry
Medium
View Solution
→
Q
JEE MAIN_2026
Correct statements regarding alkyl halides $(\mathrm{R}-\mathrm{X})$ among the following are : A. Alcohol being less polar solvent as compared to...
JEE Main
Chemistry
Medium
View Solution
→
Q
JEE MAIN_2026
The compound $(\mathrm{X})$ on (i) on heating in the presence of anhydrous $\mathrm{AlCl}_3$ and HCl gas gives 2,4-dimethyl pentane (ii)...
JEE Main
Chemistry
Medium
View Solution
→
Q
JEE MAIN_2026
Given below are two statements : In the light of the above statements, choose the correct answer from the options...
JEE Main
Chemistry
Easy
View Solution
→
Q
JEE MAIN_2026
Complete combustion of Xg of an organic compound gave 0.25 g of $\mathrm{CO}_2$ and 0.12 g of $\mathrm{H}_2 \mathrm{O}$. If...
JEE Main
Chemistry
Medium
View Solution
→
Q
JEE MAIN_2026
Which of the following complexes will show coordination isomerism? A. $\left[\mathrm{Ag}\left(\mathrm{NH}_3\right)_2\right]\left[\mathrm{Ag}(\mathrm{CN})_2\right]$ B. $\left[\mathrm{Co}\left(\mathrm{NH}_3\right)_6\right]\left[\mathrm{Cr}(\mathrm{CN})_6\right]$ c. $\left[\mathrm{Co}\left(\mathrm{NH}_3\right)_6\right]\left[\mathrm{Co}(\mathrm{CN})_6\right]$ D. $\left[\mathrm{Fe}\left(\mathrm{NH}_3\right)_6\right]\left[\mathrm{Co}(\mathrm{CN})_6\right]$ E. $\left[\mathrm{Co}\left(\mathrm{NH}_3\right)_6\right]\left[\mathrm{Fe}(\mathrm{CN})_6\right]$ Choose...
JEE Main
Chemistry
Easy
View Solution
→
Q
JEE MAIN_2026
Given below are two statements: Statement I: Among $\mathrm{Zn}, \mathrm{Mn}, \mathrm{Sc}$ and Cu , the energy required to remove the...
JEE Main
Chemistry
Medium
View Solution
→
Q
JEE MAIN_2026
Given below are two statements: Statement I: The second ionization enthalpy of $\mathrm{B}, \mathrm{Al}$ and Ga is in the order...
JEE Main
Chemistry
Easy
View Solution
→
Q
JEE MAIN_2026
The correct set that contains all kinds (basic, acidic, amphoteric and neutral) of oxides is :
JEE Main
Chemistry
Easy
View Solution
→
Q
JEE MAIN_2026
Consider the reaction $\mathrm{aX} \rightarrow \mathrm{bY}$, for which the rate constant at $30^{\circ} \mathrm{C}$ is $1 \times 10^{-3} \mathrm{~mol}^{-1} \mathrm{Ls}^{-1}$....
JEE Main
Chemistry
Medium
View Solution
→
Q
JEE MAIN_2026
At $25^{\circ} \mathrm{C}, 20.0 \mathrm{~mL}$ of 0.2 M weak monoprotic acid HX is titrated against 0.2 M NaOH . The...
JEE Main
Physics
Medium
View Solution
→
Q
JEE MAIN 2026
2026
Let $y=y(x)$ be the solution of the differential equation $...
JEE Main
Mathematics
Medium
View Solution
→
Q
JEE MAIN 2026
2026
Let $f: \mathbf{R} \rightarrow \mathbf{R}$ be a function such that $f(x)+3 f\left(\frac{\pi}{2}-x\right)=\sin x, x \in \mathbf{R}$. Let the maximum value...
JEE Main
Mathematics
Medium
View Solution
→
Q
JEE MAIN 2026
2026
If $S=\left\{\theta \in[-\pi, \pi]: \cos \theta \cos \frac{5 \theta}{2}=\cos 7 \theta \cos \frac{7 \theta}{2}\right\}$, then $n(S)$ is equal to $\_\_\_\_$...
JEE Main
Mathematics
Medium
View Solution
→
Q
JEE MAIN 2026
2026
From the point $(-1,-1)$, two rays are sent making angles of $45^{\circ}$ with the line $x+y=0$. These rays get reflected...
JEE Main
Mathematics
Medium
View Solution
→
Load More Questions
Check this project
|
Best Developer Portfolio
Scan the code
Powered by
Joinchat
Hello 👋 Welcome to Competishun – India’s most trusted platform for JEE & NEET preparation.
Need help with JEE / NEET courses, fees, batches, test series or free study material? Chat with us now 👇
Open Chat