Skip to content
Competishun Header
Home
Courses
Test Series
Books
Free Resources
Result
Contact Us
Free Resources
Courses
Test Series
JEE Solutions
NCERT PDF
Books
Gallery
Result
Blogs
Watch JEE Free Lectures
↗
Download Our App
↗
Follow Us
Login / Register
Back
Report
Report Issue
×
Wrong Answer
Typo Error
Image Issue
Not Clear
Other
JEE ADVANCE 2012
paper 1
Multiple correct answers - Select all that apply
Question
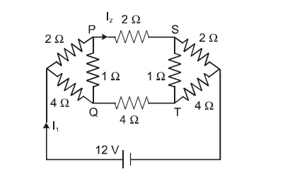
For the resistance network shown in the figure, choose the correct option(s).
Select ALL correct options:
A
The current through PQ is zero.
B
$\mathrm{I}_1=3 \mathrm{~A}$.
C
The potential at S is less than that at Q.
D
$\mathrm{I}_2=2 \mathrm{~A}$.
Submit Selected Answers
✓ Correct! Well done.
✗ Incorrect. Try again or view the solution.
⚠ Partially correct. Some answers are missing.
View Solution
Solution
Question Tags
JEE Advance
Physics
Easy
Start Preparing for JEE with Competishun
YouTube
Books
App
Tests
Video Solution
BY competishun
Watch Solution
from 57:13
YouTube
Share this solution:
Share on WhatsApp
Filters
0
Subject
▾
Exam
▾
JEE Main
JEE Advance
Difficulty
▾
Easy
Medium
Hard
Year
▾
✕ Clear All
Showing
18
questions
Q
JEE MAIN_2026
A compound microscope is designed with two symmetric biconvex lenses. The objective lens is cut vertically, creating two identical plano-convex...
JEE Main
Physics
Medium
View Solution
→
Q
JEE MAIN_2026
Light source having wavelength 331 nm is used to generate photo-electrons whose stopping potential is 0.2 V . The work...
JEE Main
Physics
Easy
View Solution
→
Q
JEE MAIN_2026
A ray of light passing through an equilateral prism is having velocity $2.12 \times 10^8 \mathrm{~m} / \mathrm{s}$ in the...
JEE Main
Physics
Easy
View Solution
→
Q
JEE MAIN_2026
In Young's double slit experiment, the fringe width of the interference pattern produced on the screen is $2.4 \mu \mathrm{~m}$....
JEE Main
Physics
Easy
View Solution
→
Q
JEE MAIN_2026
Refer to the figure given below, current between terminals A and B is $\_\_\_\_$ A.
JEE Main
Physics
Medium
View Solution
→
Q
JEE MAIN_2026
A displacement current of 4.0 A can be set up in the space between two parallel plates of $...
JEE Main
Physics
Easy
View Solution
→
Q
JEE MAIN_2026
In the hydrogen atom, the electron makes a transition from the higher orbit (i) to a lower orbit (f). The...
JEE Main
Physics
Medium
View Solution
→
Q
JEE Mains 2026
2026
5.33 g of $\mathrm{CrCl}_3 \cdot 6 \mathrm{H}_2 \mathrm{O}$, which is a $1: 3$ electrolyte, is dissolved in water and is...
JEE Main
Chemistry
Medium
View Solution
→
Q
JEE MAIN_2026
An electron of mass m is moving in an electric field $\vec{E}=-2 E_{\mathrm{o}} \hat{i}\left(\mathrm{E}_0=\right.$ constant $\left.>0\right)$, with an initial velocity...
JEE Main
Physics
Medium
View Solution
→
Q
JEE MAIN_2026
Refer to the figure given below. The values of $\mathrm{I}_1, \mathrm{I}_2$ and $\mathrm{I}_3$ are $\_\_\_\_$ .
JEE Main
Physics
Hard
View Solution
→
Q
JEE MAIN_2026
Consider the following statements: A. Zeroth law of thermodynamics gives concept of temperature B. First law of thermodynamics gives concept...
JEE Main
Physics
Easy
View Solution
→
Q
JEE MAIN_2026
Given below are two statements: one is labelled as Assertion A and the other is labelled as Reason R
JEE Main
Physics
Easy
View Solution
→
Q
JEE MAIN_2026
The Young's modulus of steel wire of radius r and length L is Y. If the radius r and length...
JEE Main
Physics
Easy
View Solution
→
Q
JEE MAIN_2026
A wedge $Y$ with mass of 10 kg and all frictionless surfaces and the inclined surface making $37^{\circ}$ with horizontal....
JEE Main
Physics
Hard
View Solution
→
Q
JEE MAIN_2026
Three masses $m_1=4 \mathrm{~kg}, m_2=4 \mathrm{~kg}$ and $m_3=6 \mathrm{~kg}$ are suspended from a fixed smooth frictionless pulley as shown in...
JEE Main
Physics
Medium
View Solution
→
Q
JEE MAIN_2026
When one moves from a point 16 km below the earth's surface to a point 16 km above the earth's...
JEE Main
Physics
Medium
View Solution
→
Q
JEE MAIN_2026
$\mathrm{L}, \mathrm{C}$ and R represents physical quantities inductance, capacitance and resistance respectively. The dimensional formula $\mathrm{ML}^2 \mathrm{~T}^{-4} \mathrm{~A}^{-2}$ corresponds to...
JEE Main
Physics
Hard
View Solution
→
Q
JEE MAIN_2026
In a Vernier calipers, when both jaws touch each other, zero of the Vernier scale is shifted to the right...
JEE Main
Physics
Easy
View Solution
→
Load More Questions
Check this project
|
Best Developer Portfolio
Scan the code
Powered by
Joinchat
Hello 👋 Welcome to Competishun – India’s most trusted platform for JEE & NEET preparation.
Need help with JEE / NEET courses, fees, batches, test series or free study material? Chat with us now 👇
Open Chat