Competishun Header

Report Issue

JEE-MAIN 2021
26-08-2021 S2
Question
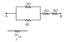
If you are provided a set of resistances $2 \Omega, 4 \Omega, 6 \Omega$ and $8 \Omega$. Connect these resistances so as to obtain an equivalent resistance of $\frac{46}{3} \Omega$.
Select the correct option:
A
$4 \Omega$ and $6 \Omega$ are in parallel with $2 \Omega$ and $8 \Omega$ in series
B
$6 \Omega$ and $8 \Omega$ are in parallel with $2 \Omega$ and $4 \Omega$ in series
C
$2 \Omega$ and $6 \Omega$ are in parallel with $4 \Omega$ and $8 \Omega$ in series
D
$2 \Omega$ and $4 \Omega$ are in parallel with $6 \Omega$ and $8 \Omega$ in series
✓ Correct! Well done.
✗ Incorrect. Try again or view the solution.
Solution
Solution Image
Question Tags
JEE Main
Physics
Easy
Start Preparing for JEE with Competishun
Filters 0
JEE Main
JEE Advance
Easy
Medium
Hard
Showing 18 questions
QJEE Main 20242024
The number of real solutions of the equation $x|x+5|+2|x+7|-2=0$ is $\_\_\_\_$ .
JEE MainMathematicsEasy
View Solution
QJEE Main 20242024
Let a line perpendicular to the line $2 x-y=10$ touch the parabola $y^2=4(x-9)$ at the point $P$. The distance of...
JEE MainMathematicsEasy
View Solution
QJEE Main 20242024
Let the maximum and minimum values of $\left(\sqrt{8 x-x^2-12}-4\right)^2+(x-7)^2, x \in R$ be $M$ and $m$ respectively. Then $\mathrm{M}^2-\mathrm{m}^2$ is...
JEE MainMathematicsEasy
View Solution
QJEE Main 20242024
Let a>0 be a root of the equation $2 \mathrm{x}^2+\mathrm{x}-2=0$. If $\lim _{x \rightarrow \frac{1}{a}} \frac{16\left(1-\cos \left(2+x-2 x^2\right)\right)}{\left(1-a x^2\right)}=\alpha+\beta \sqrt{17}$,...
JEE MainMathematicsEasy
View Solution
QJEE Main 20242024
If $1+\frac{\sqrt{3}-\sqrt{2}}{2 \sqrt{3}}+\frac{5-2 \sqrt{6}}{18}+\frac{9 \sqrt{3}-11 \sqrt{2}}{36 \sqrt{3}}+\frac{49-20 \sqrt{6}}{180}+\cdots$. upto $\infty=2\left(\sqrt{\frac{b}{a}}+1\right) \log _e\left(\frac{a}{b}\right)$, where a and b are integers with $...
JEE MainMathematicsEasy
View Solution
QJEE Main 20242024
Let the point $(-1, \alpha, \beta)$ lie on the line of the shortest distance between the lines $\frac{x+2}{-3}=\frac{y-2}{4}=\frac{z-5}{2}$ and $\frac{x+2}{-1}=\frac{y+6}{2}=\frac{z-1}{0}$....
JEE MainMathematicsEasy
View Solution
QJEE Main 20242024
The number of solutions of $\sin ^2 x+\left(2+2 x-x^2\right) \sin x-3(x-1)^2=0$, where $-\pi \leq \mathrm{x} \leq \pi$, is $\_\_\_\_$ .
JEE MainMathematicsEasy
View Solution
QJEE Main 20242024
Let $y=y(x)$ be the solution of the differential equation $\frac{d y}{d x}+\frac{2 x}{\left(1+x^2\right)^2} y=x e^{\frac{1}{\left(1+x^2\right)}} ; y(0)=0$. Then the area...
JEE MainChemistryEasy
View Solution
QJEE Main 20242024
If $y(\theta)=\frac{2 \cos \theta+\cos 2 \theta}{\cos 3 \theta+4 \cos 2 \theta+5 \cos \theta+2}$, then at $\theta=\frac{\pi}{2}, y^{\prime \prime}+y^{\prime}+y$ is equal...
JEE MainMathematicsEasy
View Solution
QJEE Main 20242024
Let $\alpha \beta \neq 0$ and $...
JEE MainMathematicsEasy
View Solution
QJEE Main 20242024
Let $\beta(m, n)=\int_0^1 x^{m-1}(1-x)^{n-1} d x, m, n>0$. If $\int_0^1\left(1-x^{10}\right)^{20} d x=a \times \beta(b, c)$, then $100(a+b+x)$ equals
JEE MainMathematicsEasy
View Solution
QJEE Main 20242024
Let ABCD and AEFG be squares of side 4 and 2 units, respectively. The point E is on the line...
JEE MainMathematicsEasy
View Solution
QJEE Main 20242024
The coefficients $a, b, c$ in the quadratic equation $a x^2+b x+c=0$ are from the set $\{1,2,3,4,5,6\}$. If the probability...
JEE MainMathematicsEasy
View Solution
QJEE Main 20242024
The values of $m, n$, for which the system of equations
$...
JEE MainMathematicsEasy
View Solution
QJEE Main 20242024
Let the set $S=\{2,4,8,16, \ldots, 512\}$ be partitioned into 3 sets $\mathrm{A}, \mathrm{B}, \mathrm{C}$ with equal number of elements such...
JEE MainMathematicsEasy
View Solution
QJEE Main 20242024
Let the circle $C_1: x^2+y^2-2(x+y)+1=0$ and $C_2$ be a circle having centre at $(-1,0)$ and radius 2 . If the...
JEE MainMathematicsEasy
View Solution
QJEE Main 20242024
Let $f, \mathrm{~g}: \mathrm{R} \rightarrow \mathrm{R}$ be defined as : $f(\mathrm{x})=|\mathrm{x}-1|$ and $...
JEE MainMathematicsEasy
View Solution
QJEE Main 20242024
If the constant term in the expansion of $\left(\frac{\sqrt[5]{3}}{x}+\frac{2 x}{\sqrt[3]{5}}\right)^{12}, x \neq 0$, is $\alpha \times 2^8 \times \sqrt[5]{3}$, then...
JEE MainMathematicsEasy
View Solution
Check this project | Best Developer Portfolio