Competishun Header

Report Issue

JEE MAIN 2021
22-07-21 S2
Question
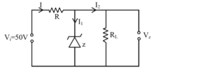
In a given circuit diagram, a 5 V zener diode along with a series resistance is connected across a 50 V power supply. The minimum value of the resistance required, if the maximum zener current is 90 mA will be $\_\_\_\_$ $\Omega$.
Write Your Answer
✓ Correct! Well done.
✗ Incorrect. Try again or view the solution.
Solution
Solution Image
Question Tags
JEE Main
Physics
Medium
Start Preparing for JEE with Competishun
Filters 0
JEE Main
JEE Advance
Easy
Medium
Hard
Showing 18 questions
QJEE Main 20242024
Consider the function $\mathrm{f}: \mathbb{R} \rightarrow \mathbb{R}$ defined by $f(x)=\frac{2 x}{\sqrt{1+9 x^2}}$. If the composition of $...
JEE MainMathematicsEasy
View Solution
QJEE Main 20242024
Let f: ℝ → ℝ be a thrice differentiable function such that f(0) = 0, f(1) = 1, f(2) =...
JEE MainMathematicsEasy
View Solution
QJEE Main 20242024
If $\int \operatorname{cosec}^5 x d x=\alpha \cot x \operatorname{cosec} x\left(\operatorname{cosec}^2 x+\frac{3}{2}\right)+\beta \log _e\left|\tan \frac{x}{2}\right|+C$ where $\alpha, \beta \in \mathbb{R}$ and...
JEE MainMathematicsEasy
View Solution
QJEE Main 20242024
Let $S=\left\{\sin ^2 2 \theta:\left(\sin ^4 \theta+\cos ^4 \theta\right) x^2+(\sin 2 \theta) x+\left(\sin ^6 \theta+\cos ^6 \theta\right)=0\right.$ has real roots...
JEE MainMathematicsEasy
View Solution
QJEE Main 20242024
Let P the point of intersection of the lines $\frac{x-2}{1}=\frac{y-4}{5}=\frac{z-2}{1}$ and $\frac{x-3}{2}=\frac{y-2}{3}=\frac{z-3}{2}$. Then, the shortest distance of $P$ from the...
JEE MainMathematicsEasy
View Solution
QJEE Main 20242024
Let $y=y(x)$ be the solution of the differential equation $\left(x^2+4\right)^2 d y+\left(2 x^3 y+8 x y-2\right) d x=0$. If $y(0)=$...
JEE MainMathematicsEasy
View Solution
QJEE Main 20242024
Given the inverse trigonometric function assumes principal values only. Let $x, y$ be any two real numbers in $[-1,1]$ such...
JEE MainMathematicsEasy
View Solution
QJEE Main 20242024
Let P Q be a chord of the parabola $y^2=12 x$ and the midpoint of PQ be at $(4,1)$. Then,...
JEE MainMathematicsEasy
View Solution
QJEE Main 20242024
Consider a hyperbola $H$ having centre at the origin and foci and the $x$-axis. Let $C_1$ be the circle touching...
JEE MainMathematicsEasy
View Solution
QJEE Main 20242024
If the coefficients of $x^4, x^5$ and $x^6$ in the expansion of $(1+x)^n$ are in the arithmetic progression, then the...
JEE MainMathematicsEasy
View Solution
QJEE Main 20242024
Let f(x) = 3 $ \sqrt{\mathrm{x}-2}+\sqrt{4-\mathrm{x}}$ be a real valued function. If $\alpha$ and $\beta$ are respectively the minimum and...
JEE MainMathematicsEasy
View Solution
QJEE Main 20242024
If the value of the integral $\int_{-1}^1 \frac{\cos \alpha x}{1+3^x} d x$ is $\frac{2}{\pi}$. Then, a value of $\alpha$ is
JEE MainMathematicsEasy
View Solution
QJEE Main 20242024
The area (in sq. units) of the region $S=\{z \in \mathbb{C} ;|z-1| \leq 2 ;(z+\bar{z})+i(z-\bar{z}) \leq 2, \operatorname{lm}(z) \geq 0\}$...
JEE MainMathematicsEasy
View Solution
QJEE Main 20242024
The area (in sq. units) of the region described by $\left\{(x, y): y^2 \leq 2 x\right.$, and $...
JEE MainMathematicsEasy
View Solution
QJEE Main 20242024
Let $f(x)=\int_0^x\left(t+\sin \left(1-e^t\right)\right) d t, x \in \mathbb{R}$. Then $\lim _{x \rightarrow 0} \frac{f(x)}{x^3}$ is equal to
JEE MainMathematicsEasy
View Solution
QJEE Main 20242024
The value of $\frac{1 \times 2^2+2 \times 3^2+\cdots+100 \times(101)^2}{1^2 \times 2+2^2 \times 3+\cdots+100^2 \times 101}$ is
JEE MainMathematicsEasy
View Solution
QJEE MAIN 20242024
Let ABC be an isosceles triangle in which A is at $(-1,0), \angle A=\frac{2 \pi}{3}, A B=A C$ and $B$...
JEE MainMathematicsEasy
View Solution
QJEE MAIN 20242024
If $\frac{d x}{d y}=\frac{1+x-y^2}{y}, x(1)=1$, then $5 x(2)$ is equal to :
JEE MainMathematicsEasy
View Solution
Check this project | Best Developer Portfolio