Skip to content
Competishun Header
Home
Courses
Test Series
Books
Free Resources
Result
Contact Us
Free Resources
Courses
Test Series
JEE Solutions
NCERT PDF
Books
Gallery
Result
Blogs
Watch JEE Free Lectures
↗
Download Our App
↗
Follow Us
Login / Register
Back
Report
Report Issue
×
Wrong Answer
Typo Error
Image Issue
Not Clear
Other
JEE MAIN 2021
25-02-21 S1
Question
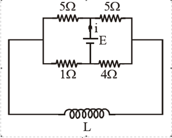
The current (i) at time $t=0$ and $t=\infty$ respectively for the given circuit is
Select the correct option:
A
$\frac{18 \mathrm{E}}{55}, \frac{5 \mathrm{E}}{18}$
B
$\frac{10 E}{33}, \frac{5 E}{18}$
C
$\frac{5 \mathrm{E}}{18}, \frac{18 \mathrm{E}}{55}$
D
$\frac{5 \mathrm{E}}{18}, \frac{10 \mathrm{E}}{33}$
✓ Correct! Well done.
✗ Incorrect. Try again or view the solution.
View Solution
Solution
Question Tags
JEE Main
Physics
Easy
Start Preparing for JEE with Competishun
YouTube
Books
App
Tests
Filters
0
Subject
▾
Exam
▾
JEE Main
JEE Advance
Difficulty
▾
Easy
Medium
Hard
Year
▾
✕ Clear All
Showing
18
questions
Q
JEE Main 2024
2024
Let the point $(-1, \alpha, \beta)$ lie on the line of the shortest distance between the lines $\frac{x+2}{-3}=\frac{y-2}{4}=\frac{z-5}{2}$ and $\frac{x+2}{-1}=\frac{y+6}{2}=\frac{z-1}{0}$....
JEE Main
Mathematics
Easy
View Solution
→
Q
JEE Main 2024
2024
The number of solutions of $\sin ^2 x+\left(2+2 x-x^2\right) \sin x-3(x-1)^2=0$, where $-\pi \leq \mathrm{x} \leq \pi$, is $\_\_\_\_$ .
JEE Main
Mathematics
Easy
View Solution
→
Q
JEE Main 2024
2024
Let $y=y(x)$ be the solution of the differential equation $\frac{d y}{d x}+\frac{2 x}{\left(1+x^2\right)^2} y=x e^{\frac{1}{\left(1+x^2\right)}} ; y(0)=0$. Then the area...
JEE Main
Chemistry
Easy
View Solution
→
Q
JEE Main 2024
2024
If $y(\theta)=\frac{2 \cos \theta+\cos 2 \theta}{\cos 3 \theta+4 \cos 2 \theta+5 \cos \theta+2}$, then at $\theta=\frac{\pi}{2}, y^{\prime \prime}+y^{\prime}+y$ is equal...
JEE Main
Mathematics
Easy
View Solution
→
Q
JEE Main 2024
2024
Let $\alpha \beta \neq 0$ and $...
JEE Main
Mathematics
Easy
View Solution
→
Q
JEE Main 2024
2024
Let $\beta(m, n)=\int_0^1 x^{m-1}(1-x)^{n-1} d x, m, n>0$. If $\int_0^1\left(1-x^{10}\right)^{20} d x=a \times \beta(b, c)$, then $100(a+b+x)$ equals
JEE Main
Mathematics
Easy
View Solution
→
Q
JEE Main 2024
2024
Let ABCD and AEFG be squares of side 4 and 2 units, respectively. The point E is on the line...
JEE Main
Mathematics
Easy
View Solution
→
Q
JEE Main 2024
2024
The coefficients $a, b, c$ in the quadratic equation $a x^2+b x+c=0$ are from the set $\{1,2,3,4,5,6\}$. If the probability...
JEE Main
Mathematics
Easy
View Solution
→
Q
JEE Main 2024
2024
The values of $m, n$, for which the system of equations
$...
JEE Main
Mathematics
Easy
View Solution
→
Q
JEE Main 2024
2024
Let the set $S=\{2,4,8,16, \ldots, 512\}$ be partitioned into 3 sets $\mathrm{A}, \mathrm{B}, \mathrm{C}$ with equal number of elements such...
JEE Main
Mathematics
Easy
View Solution
→
Q
JEE Main 2024
2024
Let the circle $C_1: x^2+y^2-2(x+y)+1=0$ and $C_2$ be a circle having centre at $(-1,0)$ and radius 2 . If the...
JEE Main
Mathematics
Easy
View Solution
→
Q
JEE Main 2024
2024
Let $f, \mathrm{~g}: \mathrm{R} \rightarrow \mathrm{R}$ be defined as : $f(\mathrm{x})=|\mathrm{x}-1|$ and $...
JEE Main
Mathematics
Easy
View Solution
→
Q
JEE Main 2024
2024
If the constant term in the expansion of $\left(\frac{\sqrt[5]{3}}{x}+\frac{2 x}{\sqrt[3]{5}}\right)^{12}, x \neq 0$, is $\alpha \times 2^8 \times \sqrt[5]{3}$, then...
JEE Main
Mathematics
Easy
View Solution
→
Q
JEE Main 2024
2024
Let $(\alpha, \beta, \gamma)$ be the point $(8,5,7)$ in the line $\frac{x-1}{2}=\frac{y+1}{3}=\frac{z-2}{5}$. Then $\alpha+\beta+\gamma$ is equal to
JEE Main
Mathematics
Easy
View Solution
→
Q
JEE Main 2024
2024
Let $\mathrm{A}(-1,1)$ and $\mathrm{B}(2,3)$ be two points and P be a variable point above the line $A B$ such that...
JEE Main
Mathematics
Easy
View Solution
→
Q
JEE Main 2024
2024
Consider three vectors $\vec{a}, \vec{b}, \vec{c}$. Let $|\vec{a}|=2,|\vec{b}|=3$ and $\overrightarrow{\mathrm{a}}=\overrightarrow{\mathrm{b}} \times \overrightarrow{\mathrm{c}}$. If $\alpha \in\left[0, \frac{\pi}{3}\right]$ is the angle between...
JEE Main
Mathematics
Easy
View Solution
→
Q
JEE Main 2024
2024
Let $\vec{a}=2 \hat{\imath}+5 \hat{\jmath}-\hat{k}, \vec{b}=2 \hat{\imath}-2 \hat{\jmath}+2 \hat{k}$ and $\overrightarrow{\mathrm{c}}$ be three vectors such that $(\vec{c}+\hat{\imath}) \times(\vec{a}+\vec{b}+\hat{\imath})=\vec{a} \times(\vec{c}+\hat{\imath})$. $...
JEE Main
Mathematics
Easy
View Solution
→
Q
JEE Main 2024
2024
60 words can be made using all the letters of the word BHBJO, with or without meaning. If these words...
JEE Main
Mathematics
Easy
View Solution
→
Load More Questions
Check this project
|
Best Developer Portfolio
Scan the code
Powered by
Joinchat
Hello 👋 Welcome to Competishun – India’s most trusted platform for JEE & NEET preparation.
Need help with JEE / NEET courses, fees, batches, test series or free study material? Chat with us now 👇
Open Chat