Competishun turns 6 🎉 | Six years of trust. Thousands of JEE dreams guided, together. 🚀
🎉Competishunturns6|Six years of trust. Thousands of JEE dreams guided, together.🎊
🎉Competishunturns6|Six years of trust. Thousands of JEE dreams guided, together.🎊
Competishun Header

Report Issue

JEE MAIN 2019
10-04-2019 S2
Question
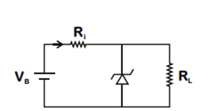
The figure represents a voltage regulator circuit using a Zener diode. The breakdown voltage of the Zener diode is 6 V and the load resistance is, $\mathrm{R}_{\mathrm{L}}= 4 \mathrm{k} \Omega$. The series resistance of the circuit is $R_{\mathrm{i}}=1 \mathrm{k} \Omega$. If the battery voltage $\mathrm{V}_{\mathrm{B}}$ varies from 8 V to 16 V , what are the minimum and maximum values of the current through Zener diode?
Question Image
Select the correct option:
A
0.5 mA; 6 mA
B
0.5 mA; 8.5 mA
C
0.5 mA; 8.5 mA
D
1 mA; 8.5 mA
✓ Correct! Well done.
✗ Incorrect. Try again or view the solution.
Solution
Question Tags
JEE Main
Physics
Medium
Start Preparing for JEE with Competishun
Filters 0
JEE Main
JEE Advance
Easy
Medium
Hard
Showing 18 questions
QJEE MAIN_2026
Among $\mathrm{Fe}^{2+}, \mathrm{Fe}^{3+}, \mathrm{Cr}^{2+}$ and $\mathrm{Zn}^{2+}$, the ion that shows positive borax bead test and with highest ionisation enthalpy is...
JEE MainChemistryEasy
View Solution
QJEE MAIN_2026
Identify compounds A and E in the following reaction sequence.
JEE MainChemistryMedium
View Solution
QJEE MAIN_2026
A molecule $(X)$ with following structure under mild acidic condition is hydrolysed to produce $(\mathrm{Y})$ and (Z). Identify the correct...
JEE MainChemistryMedium
View Solution
QJEE MAIN_2026
An organic compound " $x$ " where molar ratio of $\mathrm{C}, \mathrm{O}$ and H are equal, on treatment with $...
JEE MainChemistryMedium
View Solution
QJEE MAIN_2026
Correct statements regarding alkyl halides $(\mathrm{R}-\mathrm{X})$ among the following are : A. Alcohol being less polar solvent as compared to...
JEE MainChemistryMedium
View Solution
QJEE MAIN_2026
The compound $(\mathrm{X})$ on (i) on heating in the presence of anhydrous $\mathrm{AlCl}_3$ and HCl gas gives 2,4-dimethyl pentane (ii)...
JEE MainChemistryMedium
View Solution
QJEE MAIN_2026
Given below are two statements : In the light of the above statements, choose the correct answer from the options...
JEE MainChemistryEasy
View Solution
QJEE MAIN_2026
Complete combustion of Xg of an organic compound gave 0.25 g of $\mathrm{CO}_2$ and 0.12 g of $\mathrm{H}_2 \mathrm{O}$. If...
JEE MainChemistryMedium
View Solution
QJEE MAIN_2026
Which of the following complexes will show coordination isomerism? A. $\left[\mathrm{Ag}\left(\mathrm{NH}_3\right)_2\right]\left[\mathrm{Ag}(\mathrm{CN})_2\right]$ B. $\left[\mathrm{Co}\left(\mathrm{NH}_3\right)_6\right]\left[\mathrm{Cr}(\mathrm{CN})_6\right]$ c. $\left[\mathrm{Co}\left(\mathrm{NH}_3\right)_6\right]\left[\mathrm{Co}(\mathrm{CN})_6\right]$ D. $\left[\mathrm{Fe}\left(\mathrm{NH}_3\right)_6\right]\left[\mathrm{Co}(\mathrm{CN})_6\right]$ E. $\left[\mathrm{Co}\left(\mathrm{NH}_3\right)_6\right]\left[\mathrm{Fe}(\mathrm{CN})_6\right]$ Choose...
JEE MainChemistryEasy
View Solution
QJEE MAIN_2026
Given below are two statements: Statement I: Among $\mathrm{Zn}, \mathrm{Mn}, \mathrm{Sc}$ and Cu , the energy required to remove the...
JEE MainChemistryMedium
View Solution
QJEE MAIN_2026
Given below are two statements: Statement I: The second ionization enthalpy of $\mathrm{B}, \mathrm{Al}$ and Ga is in the order...
JEE MainChemistryEasy
View Solution
QJEE MAIN_2026
The correct set that contains all kinds (basic, acidic, amphoteric and neutral) of oxides is :
JEE MainChemistryEasy
View Solution
QJEE MAIN_2026
Consider the reaction $\mathrm{aX} \rightarrow \mathrm{bY}$, for which the rate constant at $30^{\circ} \mathrm{C}$ is $1 \times 10^{-3} \mathrm{~mol}^{-1} \mathrm{Ls}^{-1}$....
JEE MainChemistryMedium
View Solution
QJEE MAIN_2026
At $25^{\circ} \mathrm{C}, 20.0 \mathrm{~mL}$ of 0.2 M weak monoprotic acid HX is titrated against 0.2 M NaOH . The...
JEE MainPhysicsMedium
View Solution
QJEE MAIN 20262026
Let $y=y(x)$ be the solution of the differential equation $...
JEE MainMathematicsMedium
View Solution
QJEE MAIN 20262026
Let $f: \mathbf{R} \rightarrow \mathbf{R}$ be a function such that $f(x)+3 f\left(\frac{\pi}{2}-x\right)=\sin x, x \in \mathbf{R}$. Let the maximum value...
JEE MainMathematicsMedium
View Solution
QJEE MAIN 20262026
If $S=\left\{\theta \in[-\pi, \pi]: \cos \theta \cos \frac{5 \theta}{2}=\cos 7 \theta \cos \frac{7 \theta}{2}\right\}$, then $n(S)$ is equal to $\_\_\_\_$...
JEE MainMathematicsMedium
View Solution
QJEE MAIN 20262026
From the point $(-1,-1)$, two rays are sent making angles of $45^{\circ}$ with the line $x+y=0$. These rays get reflected...
JEE MainMathematicsMedium
View Solution
Check this project | Best Developer Portfolio