Skip to content
Home
Courses
Test Series
Books
Free Resources
Result
Gallery
Home
Courses
Test Series
Books
Free Resources
Result
Gallery
Contact us
Back
Report
Report Issue
×
Wrong Answer
Typo Error
Image Issue
Not Clear
Other
JEE MAIN
06-04-24 S1
Question
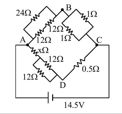
The value of unknown resistance (x) for which the potential difference between B and D will be zero in the arrangement shown, is :
Select the correct option:
A
$3 \Omega$
B
$9 \Omega$
C
$6 \Omega$
D
$42 \Omega$
✓ Correct! Well done.
✗ Incorrect. Try again or view the solution.
View Solution
Solution
Question Tags
JEE Main
Physics
Medium
Start Preparing for JEE with Competishun
YouTube
App
Tests
Scan the code
Powered by
Joinchat
Hello 👋 Welcome to Competishun – India’s most trusted platform for JEE & NEET preparation.
Need help with JEE / NEET courses, fees, batches, test series or free study material? Chat with us now 👇
Open Chat