Competishun Header

Report Issue

JEE Advanced 2019
Paper-1 2019
Multiple correct answers - Select all that apply
Question
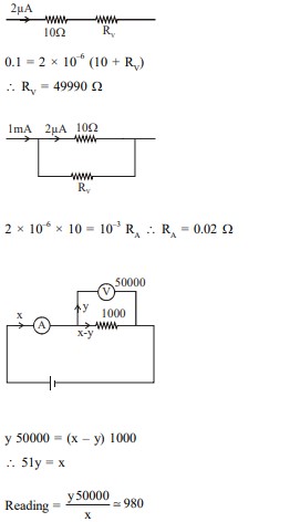
Two identical moving coil galvanometer have $10 \Omega$ resistance and full scale deflection at $2 \mu \mathrm{~A}$ current. One of them is converted into a voltmeter of 100 mV full scale reading and the other into an Ammeter of 1 mA full scale current using appropriate resistors. These are then used to measure the voltage and current in the Ohm's law experiment with $\mathrm{R}=1000 \Omega$ resistor by using an ideal cell. Which of the following statement(s) is/are correct?
Select ALL correct options:
A
The measured value of R will be $978 \Omega<\mathrm{R}<982 \Omega$.
B
The resistance of the Voltmeter will be $100 \mathrm{k} \Omega$.
C
The resistance of the Ammeter will be $0.02 \Omega$ ( round off to $2^{\text {nd }}$ decimal place)
D
If the ideal cell is replaced by a cell having internal resistance of $5 \Omega$ then the measured value of R will be more than $1000 \Omega$.
✓ Correct! Well done.
✗ Incorrect. Try again or view the solution.
⚠ Partially correct. Some answers are missing.
Solution
Solution Image
Question Tags
JEE Advance
Physics
Easy
Start Preparing for JEE with Competishun
Video Solution
BY competishun
Video Solution
Watch Solution from 1:44:26
Filters 0
JEE Main
JEE Advance
Easy
Medium
Hard
Showing 18 questions
QJEE Main 20242024
Let z be a complex number such that the real part of $\frac{z-2 i}{z+2 i}$ is zero. Then, the maximum...
JEE MainMathematicsEasy
View Solution
QJEE Main 20242024
Let $\int_0^x \sqrt{1-\left(y^{\prime}(t)\right)^2} \mathrm{dt}=\int_0^{\mathrm{x}} \mathrm{y}(\mathrm{t}) \mathrm{dt}, 0 \leq \mathrm{x} \leq 3, \mathrm{y} \geq 0, y(0)=0$. Then at $x=2, y^{\prime \prime}+y+1$...
JEE MainMathematicsEasy
View Solution
QJEE Main 20242024
Consider the line L passing through the points $(1,2,3)$ and $(2,3,5)$. The distance of the point $\left(\frac{11}{3}, \frac{11}{3}, \frac{19}{3}\right)$ from...
JEE MainMathematicsEasy
View Solution
QJEE Main 20242024
$\operatorname{Lim}_{x \rightarrow 0} \frac{e-(1+2 x)^{\frac{1}{2 x}}}{x}$ is equal to :
JEE MainMathematicsEasy
View Solution
QJEE Main 20242024
When $\Delta \mathrm{H}_{\text {vap }}=30 \mathrm{~kJ} / \mathrm{mol}$ and $\Delta \mathrm{S}_{\text {vap }}=75 \mathrm{~J} \mathrm{~mol}^{-1} \mathrm{~K}^{-1}$, then the temperature of...
JEE MainChemistryEasy
View Solution
QJEE Main 20242024
Total number of electron present in $\left(\pi^*\right)$ molecular orbitals of $\mathrm{O}_2, \mathrm{O}_2^{+}$and $\mathrm{O}_2^{-}$is $\_\_\_\_$ .
JEE MainPhysicsEasy
View Solution
QJEE Main 20242024
Number of compounds from the following which cannot undergo Friedel-Crafts reactions is :____ toluene, nitrobenzene, xylene, cumene, aniline, chlorobenzene, m-nitroaniline,...
JEE MainPhysicsEasy
View Solution
QJEE Main 20242024
Based on Heisenberg's uncertainty principle, the uncertainty in the velocity of the electron to be found within an atomic nucleus...
JEE MainChemistryEasy
View Solution
QJEE Main 20242024
Consider the following first order gas phase reaction at constant temperature
$ \mathrm{A}(\mathrm{~g}) \rightarrow 2 \mathrm{~B}(\mathrm{~g})+\mathrm{C}(\mathrm{~g}) $
If...
JEE MainChemistryEasy
View Solution
QJEE Main 20242024
Consider the following test for a group-IV cation.
$\mathrm{M}^{2+}+\mathrm{H}_2 \mathrm{~S} \rightarrow \mathrm{~A}$ (Black precipitate) + byproduct $\mathrm{A}+$ aqua regia...
JEE MainChemistryEasy
View Solution
QJEE Main 20242024
The vapour pressure of pure benzene and methyl benzene at $27^{\circ} \mathrm{C}$ is given as 80 Torr and 24 Torr...
JEE MainChemistryEasy
View Solution
QJEE Main 20242024
A transition metal 'M' among Sc, Ti, V , Cr, Mn and Fe has the highest second ionisation enthalpy. The...
JEE MainPhysicsEasy
View Solution
QJEE Main 20242024
Number of oxygen atoms present in chemical formula of fuming sulphuric acid is
JEE MainPhysicsEasy
View Solution
QJEE Main 20242024
The electronic configuration of Einsteinium is : (Given atomic number of Einsteinium = 99)
JEE MainPhysicsEasy
View Solution
QJEE Main 20242024
Which out of the following is a correct equation to show change in molar conductivity with respect to concentration for...
JEE MainChemistryEasy
View Solution
QJEE Main 20242024
Which of the following compounds will give silver mirror with ammoniacal silver nitrate?
(A) Formic acid
(B) Formaldehyde...
JEE MainChemistryEasy
View Solution
QJEE Main 20242024
The incorrect statement regarding ethyne is
JEE MainChemistryEasy
View Solution
QJEE Main 20242024
Given below are two statements :
Statement I : The higher oxidation states are more stable down the group...
JEE MainChemistryEasy
View Solution
Check this project | Best Developer Portfolio