Skip to content
Competishun Header
Home
Courses
Test Series
Books
Free Resources
Result
Contact Us
Free Resources
Courses
Test Series
JEE Solutions
NCERT PDF
Books
Gallery
Result
Blogs
Watch JEE Free Lectures
↗
Download Our App
↗
Follow Us
Login / Register
Back
Report
Report Issue
×
Wrong Answer
Typo Error
Image Issue
Not Clear
Other
JEE MAIN 2023
01-02-2023 S2
Question
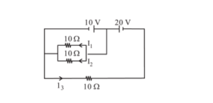
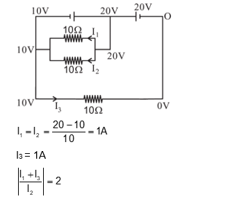
In the given circuit the value of $\left|\frac{I_1+I_3}{I_2}\right|$ is:
Write Your Answer
Submit Answer
✓ Correct! Well done.
✗ Incorrect. Try again or view the solution.
View Solution
Solution
Question Tags
JEE Main
Physics
Easy
Start Preparing for JEE with Competishun
YouTube
Books
App
Tests
Filters
0
Subject
▾
Exam
▾
JEE Main
JEE Advance
Difficulty
▾
Easy
Medium
Hard
Year
▾
✕ Clear All
Showing
18
questions
Q
JEE Main 2026
2026
The number of elements in the set $\left\{x \in\left[0,180^{\circ}\right]: \tan \left(x+100^{\circ}\right)=\tan \left(x+50^{\circ}\right) \tan x \tan \left(x-50^{\circ}\right)\right\}$ is $\_\_\_\_$ .
JEE Main
Mathematics
Medium
View Solution
→
Q
JEE Main 2026
2026
Let S be a set of 5 elements and $\mathrm{P}(\mathrm{S})$ denote the power set of S . Let E be...
JEE Main
Mathematics
Hard
View Solution
→
Q
JEE Main 2024
2024
Let z=(1+i)(1+2i)(1+3i)...(1+n i), where $i=\sqrt{-1}$. If $|z|^2=44200$, then $n$ is equal to
JEE Main
Mathematics
Easy
View Solution
→
Q
JEE Main 2026
2026
Let $(h, k)$ lie on the circle $\mathrm{C}: x^2+y^2=4$ and the point $(2 h+1,3 k+2)$ lie on an ellipse with...
JEE Main
Mathematics
Easy
View Solution
→
Q
JEE Main 2024
2024
If $f(x)$ satisfies the relation $f(x)=e^x+\int_0^1\left(y+x e^x\right) f(y) d y$, then $e+f(0)$ is equal to $\_\_\_\_$ .
JEE Advance
Mathematics
Medium
View Solution
→
Q
JEE Main 2026
2026
Let [t] denote the greatest integer less than or equal to t. If the function
$...
JEE Main
Mathematics
Easy
View Solution
→
Q
JEE Main 2026
2026
Let $\vec{a}=2 \hat{\mathrm{i}}-5 \hat{\mathrm{j}}+5 \hat{\mathrm{k}}$ and $\vec{b}=\hat{\mathrm{i}}-\hat{\mathrm{j}}+3 \hat{\mathrm{k}}$. If $\vec{c}$ is a vector such that $2(\vec{a} \times \vec{c})+3(\vec{b} \times \vec{c})=\overrightarrow{0}$...
JEE Main
Mathematics
Easy
View Solution
→
Q
JEE Main 2026
2026
The smallest positive integral value of $a$, for which all the roots of $x^4-a x^2+9=0$ are real and distinct, is...
JEE Main
Mathematics
Medium
View Solution
→
Q
JEE Main 2026
2026
Let $f$ be a function such that $3 f(x)+2 f\left(\frac{m}{19 x}\right)=5 x, x \neq 0$, where $m=\sum_{i=1}^9(i)^2$. Then $f(5)-f(2)$ is...
JEE Main
Mathematics
Easy
View Solution
→
Q
JEE Main 2026
2026
Let $y=y(x)$ be a differentiable function in the interval $(0, \infty)$ such that $y(1)=2$, and $...
JEE Main
Mathematics
Easy
View Solution
→
Q
JEE Main 2026
2026
Consider the following three statements for the function $f:(0, \infty) \rightarrow \mathbb{R}$ defined by $f(x)=\left|\log _e x\right|-|x-1|$ :
(I)...
JEE Main
Mathematics
Easy
View Solution
→
Q
JEE Main 2026
2026
If the domain of the function $f(x)=\sin ^{-1}\left(\frac{1}{x^2-2 x-2}\right)$, is $(-\infty, \alpha] \cup[\beta, \gamma] \cup[\delta, \infty)$, then $\alpha+\beta+\gamma+\delta$ is equal...
JEE Advance
Mathematics
Easy
View Solution
→
Q
JEE ADVANCE 2006
2006
Match the following:
JEE Advance
Chemistry
Easy
View Solution
→
Q
JEE ADVANCE 2006
2006
According to Bohr's theory, $\mathrm{E}_{\mathrm{n}}=$ Total energy $\mathrm{K}_{\mathrm{n}}=$ Kinetic energy $\mathrm{V}_{\mathrm{n}}=$ Potential energy $\mathrm{r}_{\mathrm{n}}=$ Radius of $\mathrm{n}^{\text {th }}$ orbit...
JEE Advance
Chemistry
Easy
View Solution
→
Q
JEE ADVANCE 2006
2006
Match the following:
JEE Advance
Chemistry
Easy
View Solution
→
Q
JEE ADVANCE 2006
2006
Match the extraction processes listed in Column I with metals listed in Column II:
JEE Advance
Chemistry
Easy
View Solution
→
Q
JEE ADVANCE 2006
2006
The edge length of unit cell of a metal having molecular weight $75 \mathrm{~g} / \mathrm{mol}$ is $5 \AA$ which...
JEE Advance
Chemistry
Easy
View Solution
→
Q
JEE ADVANCE 2006
2006
We have taken a saturated solution of $\mathrm{AgBr} . \mathrm{K}_{\text {sp }}$ of AgBr is $12 \times 10^{-14}$. If $10^{-7}$...
JEE Advance
Chemistry
Easy
View Solution
→
Load More Questions
Scan the code
Powered by
Joinchat
Hello 👋 Welcome to Competishun – India’s most trusted platform for JEE & NEET preparation.
Need help with JEE / NEET courses, fees, batches, test series or free study material? Chat with us now 👇
Open Chat