Competishun Header

Report Issue

JEE MAIN 2023
08-04-23 S1
Question
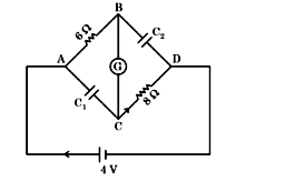
In this figure the resistance of the coil of galvanometer $G$ is $2 \Omega$. The emf of the cell is 4 V . The ratio of potential difference across $\mathrm{C}_1$ and $\mathrm{C}_2$ is:
Select the correct option:
A
1
B
4/5
C
3/4
D
5/4
✓ Correct! Well done.
✗ Incorrect. Try again or view the solution.
Solution
Solution Image
Question Tags
JEE Main
Physics
Medium
Start Preparing for JEE with Competishun
Filters 0
JEE Main
JEE Advance
Easy
Medium
Hard
Showing 18 questions
QJEE Main 20242024
A series LCR circuit is subjected to an AC signal of $200 \mathrm{~V}, 50 \mathrm{~Hz}$. If the voltage across the...
JEE MainPhysicsEasy
View Solution
QJEE Main 20242024
A man carrying a monkey on his shoulder does cycling smoothly on a circular track of radius 9 m and...
JEE MainPhysicsEasy
View Solution
QJEE Main 20242024
The electrostatic force $\left(\overrightarrow{\mathrm{F}}_1\right)$ and magnetic force ( $\overrightarrow{\mathrm{F}}_2$ ) acting on a charge q moving with velocity v can...
JEE MainPhysicsEasy
View Solution
QJEE Main 20242024
A particle moves in $x-y$ plane under the influence of a force $\vec{F}$ such that its linear momentum is $...
JEE MainPhysicsEasy
View Solution
QJEE Main 20242024
If n is the number density and d is the diameter of the molecule, then the average distance covered by...
JEE MainPhysicsEasy
View Solution
QJEE Main 20242024
The vehicles carrying inflammable fluids usually have metallic chains touching the ground :
JEE MainPhysicsEasy
View Solution
QJEE Main 20242024
A galvanometer of resistance $100 \Omega$ when connected in series with $400 \Omega$ measures a voltage of upto 10 V...
JEE MainPhysicsEasy
View Solution
QJEE Main 20242024
The angular momentum of an electron in a hydrogen atom is proportional to : (Where r is the radius of...
JEE MainPhysicsEasy
View Solution
QJEE Main 20242024
Which of the following statement is not true about stopping potential $\left(\mathrm{V}_0\right)$ ?
JEE MainPhysicsEasy
View Solution
QJEE Main 20242024
Given below are two statements :
Statement I : When the white light passed through a prism, the red...
JEE MainPhysicsEasy
View Solution
QJEE Main 20242024
Consider the matrices : $\mathrm{A}=\left[\begin{array}{rr}2 & -5 \\ 3 & \mathrm{~m}\end{array}\right], \mathrm{B}=\left[\begin{array}{c}20 \\ \mathrm{~m}\end{array}\right]$ and $X=\left[\begin{array}{l}x \\ y\end{array}\right]$. Let the...
JEE MainPhysicsEasy
View Solution
QJEE Main 20242024
Let the inverse trigonometric functions take principal values. The number of real solutions of the equation $...
JEE MainMathematicsEasy
View Solution
QJEE Main 20242024
If $\left(\frac{1}{\alpha+1}+\frac{1}{\alpha+2}+\cdots .+\frac{1}{\alpha+1012}\right)-\left(\frac{1}{2 \cdot 1}+\frac{1}{4 \cdot 3}+\frac{1}{6 \cdot 5}+\cdots .+\frac{1}{2024 \cdot 2023}\right)=\frac{1}{2024}$, then $\alpha$ is equal to-
JEE MainMathematicsEasy
View Solution
QJEE Main 20242024
The square of the distance of the image of the point $(6,1,5)$ in the line $\frac{x-1}{3}=\frac{y}{2}=\frac{z-2}{4}$, from the origin is
JEE MainMathematicsEasy
View Solution
QJEE Main 20242024
Let $\mathrm{A}, \mathrm{B}$ and C be three points on the parabola $y^2=6 x$ and let the line segment $A B$...
JEE MainMathematicsEasy
View Solution
QJEE Main 20242024
Let $A=\{(x, y): 2 x+3 y=23, x, y \in N\}$ and $\mathrm{B}=\{\mathrm{x}:(\mathrm{x}, \mathrm{y}) \in \mathrm{A}\}$. Then the number of one-one...
JEE MainMathematicsEasy
View Solution
QJEE Main 20242024
The number of integers, between 100 and 1000 having the sum of their digits equals to 14, is
JEE MainMathematicsEasy
View Solution
QJEE Main 20242024
For a differentiable function $\mathrm{f}: I R \rightarrow I R$, suppose $f^{\prime}(\mathrm{x})=3 f(\mathrm{x})+\alpha$, where $\alpha \in \mathrm{IR}, f(0)=1$ and $...
JEE MainMathematicsEasy
View Solution
Check this project | Best Developer Portfolio