Competishun Header

Report Issue

JEE Advanced 2024
Paper-1 2024
Question
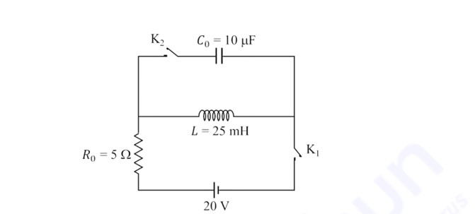
The circuit shown in the figure contains an inductor $L$, a capacitor $C_0$, a resistor $R_0$ and an ideal battery. The circuit also contains two keys $K_1$ and $K_2$. Initially, both the keys are open and there is no charge on the capacitor. At an instant, key $K_1$ is closed and immediately after this the current in $R_0$ is found to be $I_1$. After a long time, the current attains a steady state value $I_2$. Thereafter, $K_2$ is closed and simultaneously $K_1$ is opened and the voltage across $C_0$ oscillates with amplitude $V_0$ and angular frequency $\omega_0$. Match the quantities mentioned in List-I with their values in List-II and choose the correct option.
Select the correct option:
A
P → 1; Q → 3; R → 2; S → 5
B
P → 1; Q → 2; R → 3; S → 5
C
P → 1; Q → 3; R → 2; S → 4
D
P → 2; Q → 5; R → 3; S → 4
✓ Correct! Well done.
✗ Incorrect. Try again or view the solution.
Solution
Solution Image
Question Tags
JEE Advance
Physics
Easy
Start Preparing for JEE with Competishun
Video Solution
BY competishun
Video Solution
Watch Solution
Filters 0
JEE Main
JEE Advance
Easy
Medium
Hard
Showing 18 questions
QJEE MAIN_2026
Solution A is prepared by dissolving 1 g of a protein (molar mass $=50000 \mathrm{~g} \mathrm{~mol}^{-1}$ ) in 0.5 L...
JEE MainPhysicsEasy
View Solution
QJEE MAIN_2026
Gas ' $A$ ' undergoes change from state ' $X$ ' to state ' $Y$ '. In this process, the...
JEE MainPhysicsEasy
View Solution
QJEE MAIN_2026
Let $e$ be the base of natural logarithm and let $f:\{1,2,3,4\} \rightarrow\left\{1, e, e^2, e^3\right\}$ and $...
JEE MainMathematicsMedium
View Solution
QJEE MAIN_2026
\text { The area of the region }\left\{(x, y): 0 \leq y \leq 6-x, y^2 \geq 4 x-3, x \geq...
JEE MainMathematicsEasy
View Solution
QJEE MAIN_2026
The value of the integral $\int_{-\frac{\pi}{4}}^{\frac{\pi}{4}}\left(\frac{32 \cos ^4 x}{1+e^{\sin x}}\right) d x$ is:
JEE MainMathematicsMedium
View Solution
QJEE MAIN 20262026
The area of the region $\left\{(x, y): 0 \leq y \leq 6-x, y^2 \geq 4 x-3, x \geq 0\right\}$ is:
JEE MainMathematicsEasy
View Solution
QJEE MAIN 20262026
Let $f:[1, \infty) \rightarrow \mathbf{R}$ be a differentiable function defined as $f(x)=\int_1^x f(\mathrm{t}) \mathrm{dt}+(1-x)\left(\log _0 x-1\right)+\mathrm{e}$. Then the value of...
JEE MainMathematicsMedium
View Solution
QJEE MAIN 20262026
The value of $\lim _{x \rightarrow 0}\left(\frac{x^2 \sin ^2 x}{x^2-\sin ^2 x}\right)$ is:
JEE MainMathematicsEasy
View Solution
QJEE MAIN_2026
Let a line L be perpendicular to both the lines $\mathrm{L}_1: \frac{x+1}{3}=\frac{y+3}{5}=\frac{z+5}{7}$ and $\mathrm{L}_2: \frac{x-2}{1}=\frac{y-4}{4}=\frac{z-6}{7}$. If $\theta$ is the acute...
JEE MainMathematicsEasy
View Solution
QJEE MAIN 20262026
Let $\left(2^{1-a}+2^{1+a}\right), f(a),\left(3^a+3^{-a}\right)$ be in A.P. and $\alpha$ be the minimum value of $f(a)$. Then the value of the integral...
JEE MainMathematicsMedium
View Solution
QJEE MAIN_2026
$\mathrm{SF}_4$ is isostructural with: A. $\mathrm{BrF}_4{ }^{!}$ B. $\mathrm{CH}_4$ C. $\mathrm{IF}_4^{\oplus}$ D. $\mathrm{XeF}_4$ E. $\mathrm{XeO}_2 \mathrm{~F}_2$ Choose the correct answer...
JEE MainPhysicsMedium
View Solution
QJEE MAIN_2026
Let the image of the point $\mathrm{P}(1,6, a)$ in the line $\mathrm{L}: \frac{x}{1}=\frac{y-1}{2}=\frac{z-a+1}{b}, b>0$, be $\left(\frac{a}{3}, 0, a+c\right)$. If $...
JEE MainMathematicsMedium
View Solution
QJEE MAIN 20262026
Let $f(x)=\lim _{y \rightarrow 0} \frac{(1-\cos (x y)) \tan (x y)}{y^3}$. Then the number of solutions of the equation $...
JEE MainMathematicsMedium
View Solution
QJEE MAIN 20262026
Let $S=\{\theta \in(-2 \pi, 2 \pi): \cos \theta+1=\sqrt{3} \sin \theta\}$. Then $\sum_{\theta \in S} \theta$ is equal to:
JEE MainMathematicsEasy
View Solution
QJEE MAIN 20262026
Let $O$ be the origin, $\overrightarrow{O P}=\vec{a}$ and $\overrightarrow{O Q}=\vec{b}$. If $R$ is the point on $\overrightarrow{O P}$ such that...
JEE MainMathematicsEasy
View Solution
QJEE MAIN_2026
The first and second ionization constants of a weak dibasic acid $\mathrm{H}_2 \mathrm{~A}$ are $8.1 \times 10^{-8}$ and $...
JEE MainPhysicsHard
View Solution
QJEE MAIN 20262026
\text { Let } 0<\alpha<1, \beta=\frac{1}{3 \alpha} \text { and } \tan ^{-1}(1-\alpha)+\tan ^{-1}(1-\beta)=\frac{\pi}{4} \text {. Then } 6(\alpha+\beta) \text { is equal to: }
JEE MainMathematicsEasy
View Solution
QJEE MAIN 20262026
If the distance of the point $(a, 2,5)$ from the image of the point $(1,2,7)$ in the line $\frac{x}{1}=\frac{y-1}{1}=\frac{z-2}{2}$ is...
JEE MainMathematicsEasy
View Solution
Check this project | Best Developer Portfolio